• 首页
  • 关于我们
  • 公示公告
  • 联系我们
  • 公司新闻
  • 行业新闻
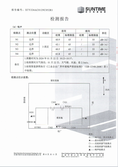
  • 水质、废气、噪声检测报告

  • 媒体报道
  • 走进我们
  • 联系我们

无锡丰凯环保科技有限公司 备案号:苏ICP备2021004560号-1